WD0GOF

WALTER CATES

Skip to content
  • Home
  • FEEDBACK & CONTACT WALT
  • HALLICRAFTERS REPAIR & REHAB
    • REPAIR MANUALS
    • TECHNICAL DISCUSSIONS
      • SR-150
      • SR-160/500
      • SR-400
      • SR-2000
      • SX-117
      • MISCELLANEOUS
      • HT-32
      • HT-37
      • HT-44
      • THE HT-46
      • POWER SUPPLIES
    • PHOTOS
  • BIBLE STUDY
    • NEW TESTAMENT COMMENTARIES
    • OLD TESTAMENT COMMENTARIES
    • STUDY GUIDES
    • LIFE GUIDES
    • CHARTS AND TIMELINES
    • RANDOM THOUGHTS OF A LAYMAN
  • GOOD EATS
    • BAR-B -Q
    • RETA LOVES TO COOK
  • UPDATES & ADDITIONS

POWER SUPPLIES

OLYMPUS DIGITAL CAMERA

HALLICRAFTERS POWER SUPPLIES

PS-500 SPECIFICATION

500 SERIES POWER SUPPLY USER MANUALS

150 SERIES POWER SUPPLY USER MANUALS

PS 150/500 REAR PANEL BUILD

PS 150/500 TEST FIXTURE

PS TEST FIXTURE SETUP

HALLICRAFTERS TRANSFORMER SPECS

REGULATING VINTAGE POWER SUPPLIES

P-2000 RESTORE

MODIFY DRAKE AC4 TO PS-150

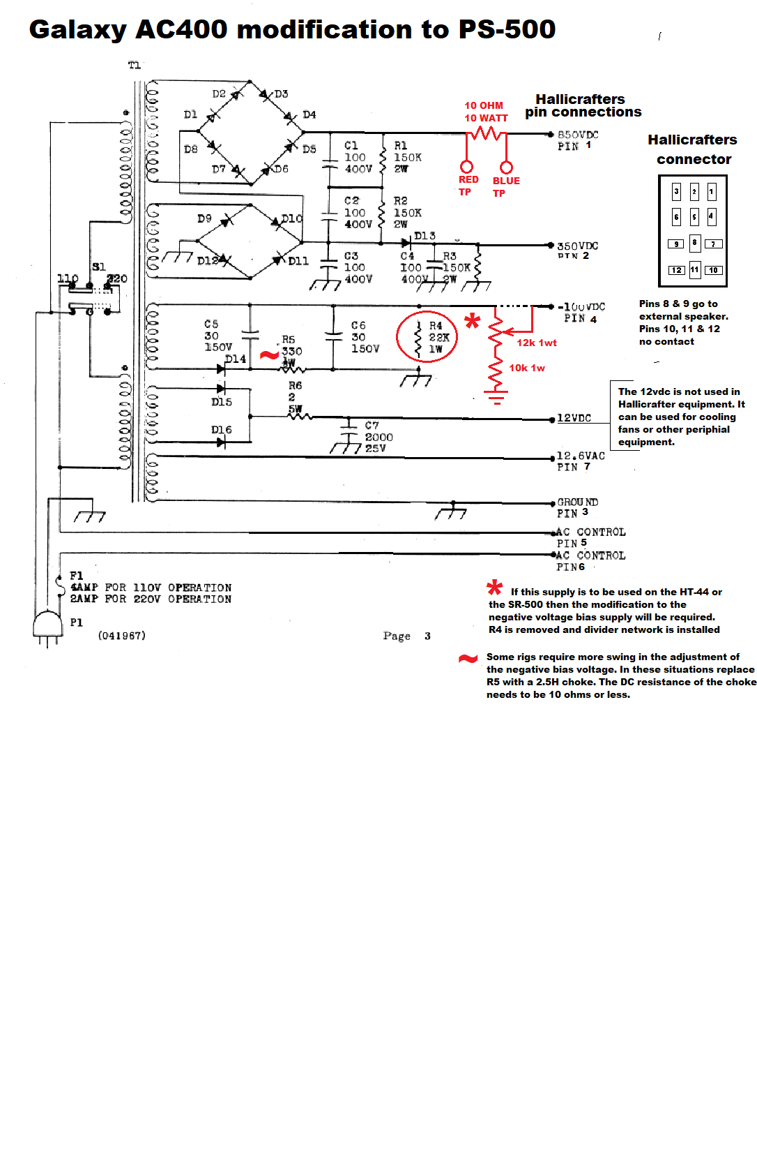
MODIFY GALAXY 400 TO PS-500

MODIFY GALAXY 400 TO PS-150

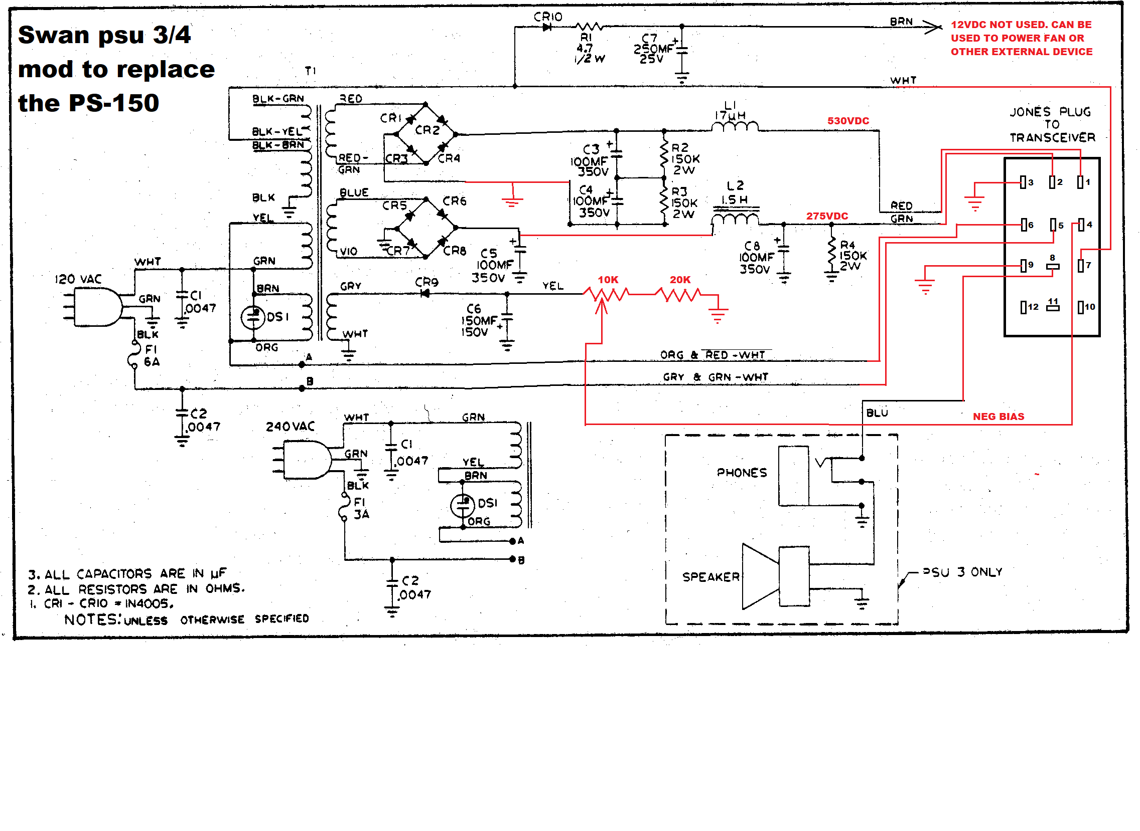
MODIFY SWAN PSU3 /4 TO PS-500

MODIFY SWAN PSU3 / 4 TO PS-150

Like Loading...
Website Built with WordPress.com.
    • WD0GOF
    • Sign up
    • Log in
    • Copy shortlink
    • Report this content
    • Manage subscriptions
 

Loading Comments...
 

    %d